Quantité
Total
Dont d' éco-part. DEEE
Il y a 0 produits dans votre panier. Il y a 1 produit dans votre panier.
Total produits
Frais de port  À définir
Total
Continuer mes achats Commander
Vos produits 0 produit

Total

Sous-total de la commande
0
00
Livraison
0
00
Total
0
00
Dont d' éco-part. DEEE
COMMANDER

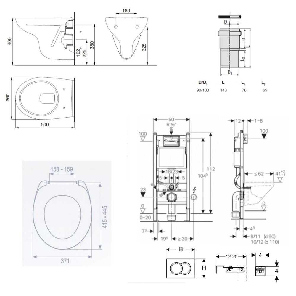
Pack WC Bati-support Geberit Duofix + WC suspendu jIka Neo + Abattant + Plaque blanche (S-LineProGeb3)

  • Référence du produit: S-LINEPROGEB3-BP
  • EAN: 734077004714
  • Marque: Manufacturer 5 32
Garantie du produit: 2 ans
339
90
TTC
510
49
Prix public conseillé
Le prix public conseillé (PPC) est un prix de revente conseillé par un fabricant à ses distributeurs.
Lorsqu’il s’agit d’un pack multi-marques, c’est alors la somme des PPC de ses composants.
( 33.42% d'économie)
423 En stock
Expédié avant le 13 février
Quantité:

Caractéristiques du Pack WC Bâti-support Duofix + WC suspendu Jika Neo + Abattant + Plaque blanche (S-LineProGeb3) : 

  • Geberit Delta Pack bâti-support Duofix 112cm + plaque de commande blanche Delta01 + fixations murales (111.154.11.3)
  • Neo WC suspendu sans abattant avec vidage arrière, blanc (2031.9.000.000.1)
  • Valsir Manchon de raccordement Ø 90/100 MM pour Rapid SL ou Geberit (VS0564190)

.

Geberit Delta Pack bâti-support Duofix 112cm + plaque de commande blanche Delta01 + fixations murales (111.154.11.3) :

Geberit DUOFIXBasic pour toilettes suspendues, avec réservoir Delta (111.153.00.1) : 

Préconisations de mise en oeuvre : 

Ces bâti-supports pour WC suspendus sont dédiés aux types d'installation suivants :

  • Contre un mur porteur (voile béton, carreaux de plâtre, béton cellulaire, briques, parpaings) et sur une dalle béton en utilisant les fixations fournies.
  • Dans une cloison à ossature métallique constituée de rails renforcés (KNAUF, PLACO, …) à hauteur de la pièce ou avec des rails et montants Geberit système Duofix à hauteur partielle ou de la pièce (selon préconisations fabricant).

Ces bâti-supports pour WC suspendus ne peuvent être installés contre des cloisons en plaques de plâtre à âme alvéolaire en carton, contre des cloisons en plaques de plâtre sur ossature métallique ou contre des cloisons de séparation double peau en plaques de plâtre sur ossature métallique sans accessoirisation additionnelle (substitution des pieds fournis par des pieds autoportants) ou l'ajout de renforts complémentaires (à intégrer au préalable dans la cloison au niveau des fixations hautes).

Ces bâti-supports pour WC montés suspendus peuvent être installés sur des planchers en bois s'ils sont posés contre un mur porteur (voir description précédente) et leurs pieds sur une solive ou lambourde à l'aide des tirefonds fournis.

Caractéristiques principales :

  • Citerne encastrée Geberit Delta UP100 (12 cm), activation frontale
  • Anticondensation, profondeur d'installation : 12 cm
  • Réglage possible du grand débit de chasse (4,5 / 6 / 7,5 L)
  • Petit débit fixe, possibilité de rinçage immédiat
  • Alimentation en eau arrière/centrale supérieure
  • Raccordement manuel possible à la vanne d’angle
  • Compatibilité :
    • 1 touche : Delta15
    • 2 touches : Delta20
  • Cadre autoportant, revêtement bleu, avec trous ø 9 mm (fixation bois)
  • Pieds réglables de 0 à 20 cm, plaques de base adaptées au montage UW50

Informations techniques :

  • Réglage usine : 6 / 3,5 L (grand/petit rinçage)

Contenu du colis :

  • 2 tiges filetées M12 (fixation céramique)
  • Vanne de chasse double débit
  • Couvercle de protection pour montage brut
  • 2 bouchons de protection
  • Robinet d’angle R 1/2" avec adaptateur
  • Tuyau d’alimentation AquaClean
  • Kit de raccordement ø 90 mm + coude ø 90 mm + adaptateur ø 90/110 mm
  • Matériel de fixation

Non inclus : kit de montage mural

.

Geberit Plaque de déclenchement DELTA01 (115.107.11.1) : 

  • Delta dispose de 2 touches, l'une pour une petite chasse de 3L et l'autre pour une grande chasse de 6L
  • Economies en eau
  • Déclenchement frontal

.
Neo WC suspendu sans abattant avec vidage arrière, blanc (2031.9.000.000.1) :

  • Contenu du colis : 1 pièce
  • Matière : céramique 
  • Coloris : blanc
  • Largeur : 36 cm
  • Hauteur : 35 cm
  • Profondeur : 50 cm
  • Type de WC : suspendu 
  • Type de montage : mural 
  • Type de cuvette : avec bride 
  • Type de sortie : horizontale (à l'arrière)
  • Volume de la chasse d'eau : 3/6 L
  • Rinçage profond 
  • Poids : 14,5 kg
  • Garantie du produit : 2 ans 

.
LIVEA Abattant WC thermoplastique, Blanc (UniversalSeat) :

  • Coloris : Blanc
  • Matière : thermoplastique
  • Charnières plastiques avec montage dissimulé 
  • dimensions : 37 x 41,4 cm

.

Attention ! Il est impératif de vérifier les produits à réception. Une éventuelle avarie doit être constatée devant le livreur et indiquée précisément pour chaque produit sur le bon de livraison. Aucune réclamation ne pourra être acceptée a posteriori, les transporteurs étant très stricts à ce sujet. Nous vous remercions pour votre compréhension.

Caractéristiques techniques du produit
  • Coloris:Blanc
  • Matière:Céramique
  • Type de produit:Pack WC
  • Longueur:112
  • Largeur:52
  • Hauteur:37.5
  • Poids (kg):37
  • Abattant:CLASSIQUE
  • Cuvette:AVEC BRIDE
  • Couleur Plaque:BLANC
  • Type de bâti:Mur
  • Marque cuvette:Jika
  • Marque bâti:Geberit
  • Coloris cuvette:Blanc
  • Fixation invisible:non
  • Nombre de composants:1
  • Abattant déclipsable:Oui
  • Type de sortie:Horizontale
  • Poids cuvette:14,5
  • Hauteur cuvette :35
  • Largeur cuvette :36
  • Finition cuvette:Brillant
Ecrire un commentaire
Avis *
Les champs marqués d'un astérisque (*) sont obligatoires.
339
90
TTC
510
49
Prix public conseillé
Le prix public conseillé (PPC) est un prix de revente conseillé par un fabricant à ses distributeurs.
Lorsqu’il s’agit d’un pack multi-marques, c’est alors la somme des PPC de ses composants.

(33.42% d'économie)
423 En stock
Expédié avant le 13 février
Quantité:
Paiement sécurisé
Avis clients
Cecilia P.
05/01/2026

Super ! SAV réactif à l écoute et qui a trouver une solution rapide et très satisfaisante ! Merci à eux

Marc D.
20/01/2026

La livraison de la porte de douche et très bien protégé sur palette. Et un superbe SAV car il me manquait une roulette. La réaction du SAV était très efficace livraison de la roulette est bien arrivé rapidement. Merci à vous

Reinette P.
12/01/2026

Super site, produits de très bonne qualité, livraison soignée et service client réactif!

Michel L.
24/01/2026

Prix interessants par rapport a la concurrence. Le service de chat en ligne a tres bien répondu a mes question sur un produit SAT

4.55/5