Quantité
Total
Dont d' éco-part. DEEE
Il y a 0 produits dans votre panier. Il y a 1 produit dans votre panier.
Total produits
Frais de port  À définir
Total
Continuer mes achats Commander
Vos produits 0 produit

Total

Sous-total de la commande
0
00
Livraison
0
00
Total
0
00
Dont d' éco-part. DEEE
COMMANDER

-20%

Vente Flash

Pack WC Bati-support Geberit UP100 + WC sans bride Swiss Aqua Technologie + abattant ultra-fin

  • Référence du produit: BREVISGEB2
  • EAN: 734077004783
  • Marque: Manufacturer 5 59
Garantie du produit: 2 ans
319
90
TTC
399
90
Prix hors vente flash
524
25
Prix public conseillé
Le prix public conseillé (PPC) est un prix de revente conseillé par un fabricant à ses distributeurs.
Lorsqu’il s’agit d’un pack multi-marques, c’est alors la somme des PPC de ses composants.
Vente Flash -20%
Fin de la promotion dans :
60 En stock
Expédié avant le 10 février
Dont 0.30 d' éco-part. DEEE
Quantité:

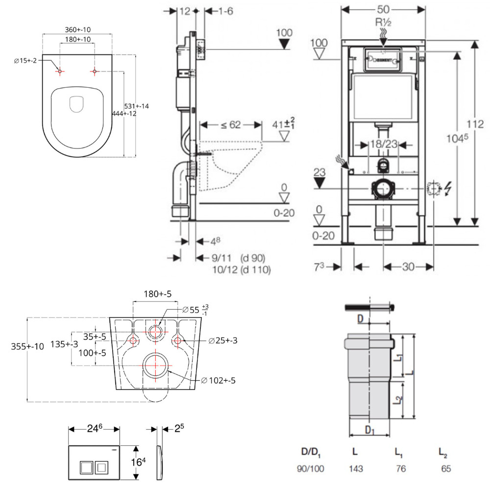
Caractéristiques du Pack WC bâti-support Geberit Duofix UP100 + WC sans bride Swiss Aqua Technologies Brevis + Abattant ultra-fin, softclose + Plaque chrome mat (BrevisGeb2) : 

  • Geberit Ensemble bâti-support Duofix UP100 + réservoir pour WC 112 cm (458.103.00.2)
  • Swiss Aqua Technologies WC suspendu sans bride, fixations invisibles + abattant ultra-fin, softclose (SATBRE011RREXP)
  • Geberit Plaque de déclenchement à deux touches DELTA50, Chrome (115.135.46.1)
  • Manchon de raccordement 90/100

Geberit Ensemble bâti-support Duofix UP100 + réservoir pour WC 112 cm (458.103.00.2) :

  • Bâti-support zingué 112 cm avec pieds réglables de 0-20 cm
  • Réservoir d'eau UP100 (avec garantie constructeur des pièces de rechange de 25 ans)
  • Cadre prélaqué en couleur Geberit bleu
  • Pieds support avec marquage de graduation en cm
  • Pieds orientables pour le montage en profilé UW50/UW75
  • Traverse pour support d’habillage
  • 2 tiges filetées M12 pour la fixation de la céramique avec distance intermédiaire de 18 ou 23 cm
  • Réservoir de chasse encastré 4-6-7,5 l, isolé contre la condensation
  • Déclenchement frontal à deux quantités
  • Alimentation à l’arrière/en haut
  • Robinet d’arrêt équerre R1/2“
  • Boîtier de réservation pour trappe de visite
  • Protection de chantier en styrophor
  • Coude d’évacuation  Ø 90 mm
  • Garniture de manchette Ø 90 mm
  • Matériel de fixation

Swiss Aqua Technologies WC suspendu sans bride, fixations invisibles + abattant ultra-fin, softclose (SATBRE011RREXP) :

  • Marque : Swiss Aqua Technologies
  • Matériau : Céramique
  • Cuvette au style simple et épuré
  • Cuvette sans bride
  • Fixations invisibles
  • Profondeur de 53 cm
  • Rinçage économique 3 / 4,5 L
  • Abattant avec frein de chute
  • Abattant ultra-fin
  • Abattant déclipsable
  • Facile d'entretien grâce au système sans bride et l'abattant amovible
  • Installation rapide

.

Geberit Plaque de déclenchement à deux touches DELTA50, Chrome (115.135.46.1) :

  • Coloris : Chrome
  • Matériau : Plastique
  • Série : Delta50
  • Dispositif double touche

.

Attention! Il est impératif de vérifier le bon état du colis aussi bien extérieur qu'intérieur, au moment de la livraison.

Nous vous conseillons vivement de contrôler et de refuser la marchandise si vous remarquez un problème au moment de la réception. Dans le cas d'un refus, vous devez émettre une réserve auprès du livreur afin que le colis nous soit retourné. Si la réserve n'est pas émise, aucune réclamation ne pourra être ouverte. Nous vous remercions pour votre compréhension.

Caractéristiques techniques du produit
  • Coloris:Blanc
  • Matière:Céramique
  • Type de produit:Pack WC
  • Longueur:112
  • Largeur:53
  • Hauteur:40
  • Poids (kg):37
  • Abattant:SOFT CLOSE
  • Cuvette:SANS BRIDE
  • Couleur Plaque:CHROME MAT
  • Type de bâti:Mur
  • Marque cuvette:Swiss Aqua Technologies
  • Marque bâti:Geberit
  • Coloris cuvette:Blanc
  • Fixation invisible:oui
  • Nombre de composants:1
  • Abattant déclipsable:Oui
Ecrire un commentaire
Avis *
Les champs marqués d'un astérisque (*) sont obligatoires.
319
90
TTC
399
90
Prix hors vente flash
524
25
Prix public conseillé
Le prix public conseillé (PPC) est un prix de revente conseillé par un fabricant à ses distributeurs.
Lorsqu’il s’agit d’un pack multi-marques, c’est alors la somme des PPC de ses composants.

Dont 0.30 d' éco-part. DEEE
Vente Flash -20%
Fin de la promotion dans :
60 En stock
Expédié avant le 10 février
Quantité:
Paiement sécurisé
Produits fréquemment achetés ensemble
Avis clients
Cecilia P.
05/01/2026

Super ! SAV réactif à l écoute et qui a trouver une solution rapide et très satisfaisante ! Merci à eux

Marc D.
20/01/2026

La livraison de la porte de douche et très bien protégé sur palette. Et un superbe SAV car il me manquait une roulette. La réaction du SAV était très efficace livraison de la roulette est bien arrivé rapidement. Merci à vous

Reinette P.
12/01/2026

Super site, produits de très bonne qualité, livraison soignée et service client réactif!

Michel L.
24/01/2026

Prix interessants par rapport a la concurrence. Le service de chat en ligne a tres bien répondu a mes question sur un produit SAT

4.55/5