Quantité
Total
Dont d' éco-part. DEEE
Il y a 0 produits dans votre panier. Il y a 1 produit dans votre panier.
Total produits
Frais de port  À définir
Total
Continuer mes achats Commander
Vos produits 0 produit

Total

Sous-total de la commande
0
00
Livraison
0
00
Total
0
00
Dont d' éco-part. DEEE
COMMANDER

-20%

Vente Flash

Grohe Pack WC Bâti-support Rapid SL + WC Infinitio sans bride noir mat + Abattant softclose + Plaque noire mat

  • Référence du produit: PROBLINFIKF0
  • EAN: 0734077005377
  • Marque: Manufacturer 6
  • Série: Rapid SL
Garantie du produit: 5 ans
447
90
TTC
559
89
Prix hors vente flash
913
00
Prix public conseillé
Le prix public conseillé (PPC) est un prix de revente conseillé par un fabricant à ses distributeurs.
Lorsqu’il s’agit d’un pack multi-marques, c’est alors la somme des PPC de ses composants.
Vente Flash -20%
Fin de la promotion dans :
571 En stock
Expédié avant le 10 février
Dont 0.30 d' éco-part. DEEE
Quantité:

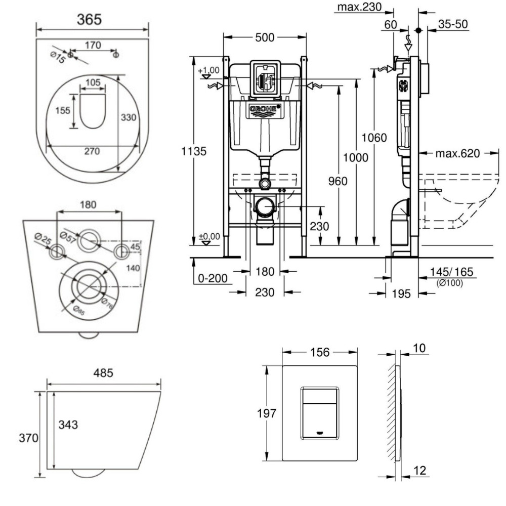
Caractéristiques du Pack WC Bâti-support Rapid SL + WC Infinitio sans bride noir mat + Abattant softclose + Plaque noire (ProjectBlackInfinitio-KF0) :

  • Grohe RAPID SL Project bâti support autoportant pour WC, 1.13 M (39145000)
  • Swiss Aqua Technologies WC suspendu Infinitio noir mat sans bride et fixations invisibles + abattant frein de chute (SATINF010RREXPBKM)
  • Grohe Even Plaque de commande double touche, Technologie anti-empreintes, Noir mat (38966KF0) 

.

Grohe RAPID SL Project bâti support autoportant pour WC, 1.13 M (39145000) :

  • Réservoir et mécanisme pneumatique Certifié NF
  • Réservoir GD 2, 6-9 L
  • Comprend les supports muraux 3855800M pour une installation murale
  • Pour le montage des petites plaques de commande, commandez séparément le gabarit 40 911 000
  • Assemblage facile en connectant le capillaire pneumatique à la plaque de commande
  • Réglage en hauteur rapide avec prédétermination automatique de la hauteur de montage souhaitée
  • Fixation murale avec réglage rapide en profondeur; ajustement de profondeur par l'avant
  • Support mural orientable sur 360 degrés pour éviter les joints
  • Pieds avec points de fixation polyvalents et pratiques, pour montage sur rail, sur profil en U de 50 ou 75 mm
  • Points de fixation pour accessoires ; montage des éléments sans ancrage au sol
  • Points de fixation pour montage des éléments dans des supports muraux en bois
  • Coude DN 80 avec réduction DN 80/100
  • Fixation du coude de vidage sans outil
  • Collier de vidage avec réglage de la profondeur à 2 niveaux

.
Swiss Aqua Technologies WC suspendu Infinitio noir mat sans bride et fixations invisibles + abattant frein de chute (SATINF010RREXPBKM) :

  • Marque : Swiss Aqua Technologies
  • Matériau : Céramique
  • Finition : noir mat
  • WC compact adapté aux petits espaces
  • Cuvette au style simple et épuré
  • Cuvette sans bride
  • Fixations cachées
  • Profondeur de 48 cm
  • Rinçage 3 / 6 L
  • Abattant avec frein de chute
  • Abattant déclipsable
  • Facile d'entretien grâce au système sans bride et l'abattant amovible
  • Installation rapide

.
Grohe Even Plaque de commande double touche, Technologie anti-empreintes, Noir mat (38966KF0) :

  • Pour rinçage en 2 étapes, fonction marche / arrêt
  • Pour vanne de vidange pneumatique AV1
  • Montage horizontal et vertical
  • Dimensions : 156 x 197 mm
  • En ABS
  • Surface GROHE StarLight
  • Technologie GROHE EcoJoy pour une faible consommation d'eau et un débit parfait
  • Avec une surface sur laquelle il ne reste aucune empreinte
.

Attention ! Il est impératif de vérifier les produits à réception. Une éventuelle avarie doit être constatée devant le livreur et indiquée précisément pour chaque produit sur le bon de livraison. Aucune réclamation ne pourra être acceptée a posteriori, les transporteurs étant très stricts à ce sujet. Nous vous remercions pour votre compréhension.

Caractéristiques techniques du produit
  • Coloris:Noir
  • Matière:Céramique
  • Type de produit:Pack WC
  • Longueur:49
  • Largeur:36.5
  • Hauteur:36
  • Poids (kg):35
  • Abattant:SOFT CLOSE
  • Cuvette:SANS BRIDE
  • Couleur Plaque:NOIR MAT
  • Type de bâti:Sol
  • Marque cuvette:Swiss Aqua Technologies
  • Marque bâti:Grohe
  • Coloris cuvette:Noir mat
  • Fixation invisible:oui
  • Nombre de composants:1
  • Options (WC) (VU):Abattant silencieux
  • Matière (précision) (VU):Céramique - Céramique
  • Abattant déclipsable:Oui
  • Type de bride:Sans bride
  • Hauteur cuvette :36
  • Largeur cuvette :36.5
Ecrire un commentaire
Avis *
Les champs marqués d'un astérisque (*) sont obligatoires.
447
90
TTC
559
89
Prix hors vente flash
913
00
Prix public conseillé
Le prix public conseillé (PPC) est un prix de revente conseillé par un fabricant à ses distributeurs.
Lorsqu’il s’agit d’un pack multi-marques, c’est alors la somme des PPC de ses composants.

Dont 0.30 d' éco-part. DEEE
Vente Flash -20%
Fin de la promotion dans :
571 En stock
Expédié avant le 10 février
Quantité:
Paiement sécurisé
Ces articles pourraient aussi vous intéresser
Avis clients
Cecilia P.
05/01/2026

Super ! SAV réactif à l écoute et qui a trouver une solution rapide et très satisfaisante ! Merci à eux

Marc D.
20/01/2026

La livraison de la porte de douche et très bien protégé sur palette. Et un superbe SAV car il me manquait une roulette. La réaction du SAV était très efficace livraison de la roulette est bien arrivé rapidement. Merci à vous

Reinette P.
12/01/2026

Super site, produits de très bonne qualité, livraison soignée et service client réactif!

Michel L.
24/01/2026

Prix interessants par rapport a la concurrence. Le service de chat en ligne a tres bien répondu a mes question sur un produit SAT

4.55/5