Quantité
Total
Dont d' éco-part. DEEE
Il y a 0 produits dans votre panier. Il y a 1 produit dans votre panier.
Total produits
Frais de port  À définir
Total
Continuer mes achats Commander
Vos produits 0 produit

Total

Sous-total de la commande
0
00
Livraison
0
00
Total
0
00
Dont d' éco-part. DEEE
COMMANDER

Pack WC Bâti-support Geberit + WC sans bride Swiss Aqua Technologies + abattant SoftClose + plaque

  • Référence du produit: DELANOGEB3
  • EAN: 8592127182032
  • Marque: Manufacturer 5 59
Garantie du produit: 2 ans
369
90
TTC
550
00
Prix public conseillé
Le prix public conseillé (PPC) est un prix de revente conseillé par un fabricant à ses distributeurs.
Lorsqu’il s’agit d’un pack multi-marques, c’est alors la somme des PPC de ses composants.
( 32.75% d'économie)
124 En stock
Expédié avant le 10 février
Dont 0.30 d' éco-part. DEEE
Quantité:

Caractéristiques du Pack WC Bâti-support Geberit Duofix + WC sans bride Swiss Aqua Technologies Delano + Abattant SoftClose + Plaque Blanche :

  • Geberit Delta Pack bâti-support Duofix 112cm + Plaque de commande Delta01, Blanche + Fixations murales (111.154.11.3)
  • Redi Manchon de raccordement Ø 90/100 MM pour Rapid SL ou Geberit (VS0564190)
  • Swiss Aqua Technologies WC suspendu Delano sans bride et fixations invisibles, abattant frein de chute (SAT72010RREXP)

Caractéristiques du Geberit Delta Pack bâti-support Duofix 112cm + Plaque de commande Delta01, Blanche + Fixations murales (111.154.11.3): 

  • Geberit DUOFIXBasic pour toilettes suspendues, avec réservoir Delta (111.153.00.1)
  • Kit de fixations murales Geberit Duofix pour auto-assemblage (111.839.00.1)
  • Plaque de déclenchement Geberit Delta01 double touche, blanc alpin (115.107.11.1)

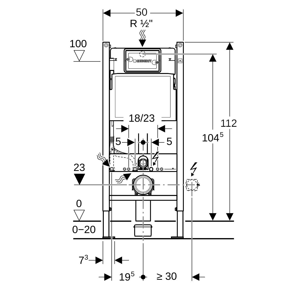
Geberit DUOFIXBasic pour toilettes suspendues, avec réservoir Delta (111.153.00.1): 

Préconisations de mise en oeuvre : 

Ces bâti-supports pour WC suspendus sont dédiés aux types d'installation suivants :

  • Contre un mur porteur (voile béton, carreaux de plâtre, béton cellulaire, briques, parpaings) et sur une dalle béton en utilisant les fixations fournies.
  • Dans une cloison à ossature métallique constituée de rails renforcés (KNAUF, PLACO, …) à hauteur de la pièce ou avec des rails et montants Geberit système Duofix à hauteur partielle ou de la pièce (selon préconisations fabricant).

Ces bâti-supports pour WC suspendus ne peuvent être installés contre des cloisons en plaques de plâtre à âme alvéolaire en carton, contre des cloisons en plaques de plâtre sur ossature métallique ou contre des cloisons de séparation double peau en plaques de plâtre sur ossature métallique sans accessoirisation additionnelle (substitution des pieds fournis par des pieds autoportants) ou l'ajout de renforts complémentaires (à intégrer au préalable dans la cloison au niveau des fixations hautes).

Ces bâti-supports pour WC montés suspendus peuvent être installés sur des planchers en bois s'ils sont posés contre un mur porteur (voir description précédente) et leurs pieds sur une solive ou lambourde à l'aide des tirefonds fournis.

Caractéristiques principales :

  • Citerne encastrée Geberit Delta UP100 (12 cm), activation frontale
  • Anticondensation, profondeur d'installation : 12 cm
  • Réglage possible du grand débit de chasse (4,5 / 6 / 7,5 L)
  • Petit débit fixe, possibilité de rinçage immédiat
  • Alimentation en eau arrière/centrale supérieure
  • Raccordement manuel possible à la vanne d’angle
  • Compatibilité :
    • 1 touche : Delta15
    • 2 touches : Delta20
  • Cadre autoportant, revêtement bleu, avec trous ø 9 mm (fixation bois)
  • Pieds réglables de 0 à 20 cm, plaques de base adaptées au montage UW50

Informations techniques :

  • Réglage usine : 6 / 3,5 L (grand/petit rinçage)

Contenu du colis :

  • 2 tiges filetées M12 (fixation céramique)
  • Vanne de chasse double débit
  • Couvercle de protection pour montage brut
  • 2 bouchons de protection
  • Robinet d’angle R 1/2" avec adaptateur
  • Tuyau d’alimentation AquaClean
  • Kit de raccordement ø 90 mm + coude ø 90 mm + adaptateur ø 90/110 mm
  • Matériel de fixation

Non inclus : kit de montage mural

.

Plaque de déclenchement Geberit Delta01 double touche, blanc alpin (115.107.11.1):

  • Nouveauté Geberit 2022
  • Déclenchement frontal mécanique à double touche
  • Économie en eau
  • Pour réservoir Delta

Swiss Aqua Technologies WC suspendu Delano sans bride Tornado Quiet et fixations invisibles, abattant frein de chute (SAT72010RREXP):

  • Marque : Swiss Aqua Technologies
  • Matériau : Céramique
  • Cuvette design
  • Cuvette sans bride
  • Fixations cachées
  • Abattant avec frein de chute
  • Abattant déclipsable
  • Facile d'entretien grâce au système sans bride et l'abattant amovible
  • Installation rapide

Attention ! Il est impératif de vérifier les produits à réception. Une éventuelle avarie doit être constatée devant le livreur et indiquée précisément pour chaque produit sur le bon de livraison. Aucune réclamation ne pourra être acceptée a posteriori, les transporteurs étant très stricts à ce sujet. Nous vous remercions pour votre compréhension.

Caractéristiques techniques du produit
  • Coloris:Blanc
  • Matière:Céramique
  • Type de produit:Pack WC
  • Longueur:49.5
  • Largeur:35.5
  • Hauteur:37.5
  • Poids (kg):46.05
  • Abattant:SOFT CLOSE
  • Cuvette:SANS BRIDE
  • Couleur Plaque:BLANC
  • Type de bâti:Mur
  • Marque cuvette:Swiss Aqua Technologies
  • Marque bâti:Geberit
  • Coloris cuvette:Blanc
  • Fixation invisible:oui
  • PMCB unique identifier idu:FR043823_04FWQW
  • Nombre de composants:1
  • Options (WC) (VU):Abattant silencieux
  • Matière (précision) (VU):Céramique - Céramique
  • Abattant déclipsable:Oui
  • Volume de chasse (en L):3/6
  • Type de bride:Sans bride
  • Hauteur bâti:112
  • Hauteur cuvette :37.5
  • Largeur cuvette :35.5
Ecrire un commentaire
Avis *
Les champs marqués d'un astérisque (*) sont obligatoires.
369
90
TTC
550
00
Prix public conseillé
Le prix public conseillé (PPC) est un prix de revente conseillé par un fabricant à ses distributeurs.
Lorsqu’il s’agit d’un pack multi-marques, c’est alors la somme des PPC de ses composants.

(32.75% d'économie)
Dont 0.30 d' éco-part. DEEE
124 En stock
Expédié avant le 10 février
Quantité:
Paiement sécurisé
Ces articles pourraient aussi vous intéresser
Avis clients
Cecilia P.
05/01/2026

Super ! SAV réactif à l écoute et qui a trouver une solution rapide et très satisfaisante ! Merci à eux

Marc D.
20/01/2026

La livraison de la porte de douche et très bien protégé sur palette. Et un superbe SAV car il me manquait une roulette. La réaction du SAV était très efficace livraison de la roulette est bien arrivé rapidement. Merci à vous

Reinette P.
12/01/2026

Super site, produits de très bonne qualité, livraison soignée et service client réactif!

Michel L.
24/01/2026

Prix interessants par rapport a la concurrence. Le service de chat en ligne a tres bien répondu a mes question sur un produit SAT

4.55/5