Quantité
Total
Dont d' éco-part. DEEE
Il y a 0 produits dans votre panier. Il y a 1 produit dans votre panier.
Total produits
Frais de port  À définir
Total
Continuer mes achats Commander
Vos produits 0 produit

Total

Sous-total de la commande
0
00
Livraison
0
00
Total
0
00
Dont d' éco-part. DEEE
COMMANDER
Nouveau

Pack WC Bâti-support sol mur Villeroy & Boch + WC sans bride SAT Tornado Quiet + Abattant SoftClose + Plaque noire (VCNTORNADO4)

  • Référence du produit: VCNTORNADO4
  • EAN: 8592127218281
  • Marque: Manufacturer 13 59
Garantie du produit: 2 ans
319
90
TTC
517
40
Prix public conseillé
Le prix public conseillé (PPC) est un prix de revente conseillé par un fabricant à ses distributeurs.
Lorsqu’il s’agit d’un pack multi-marques, c’est alors la somme des PPC de ses composants.
( 38.17% d'économie)
Rupture de stock
Expédié habituellement sous 30 jours
Quantité:

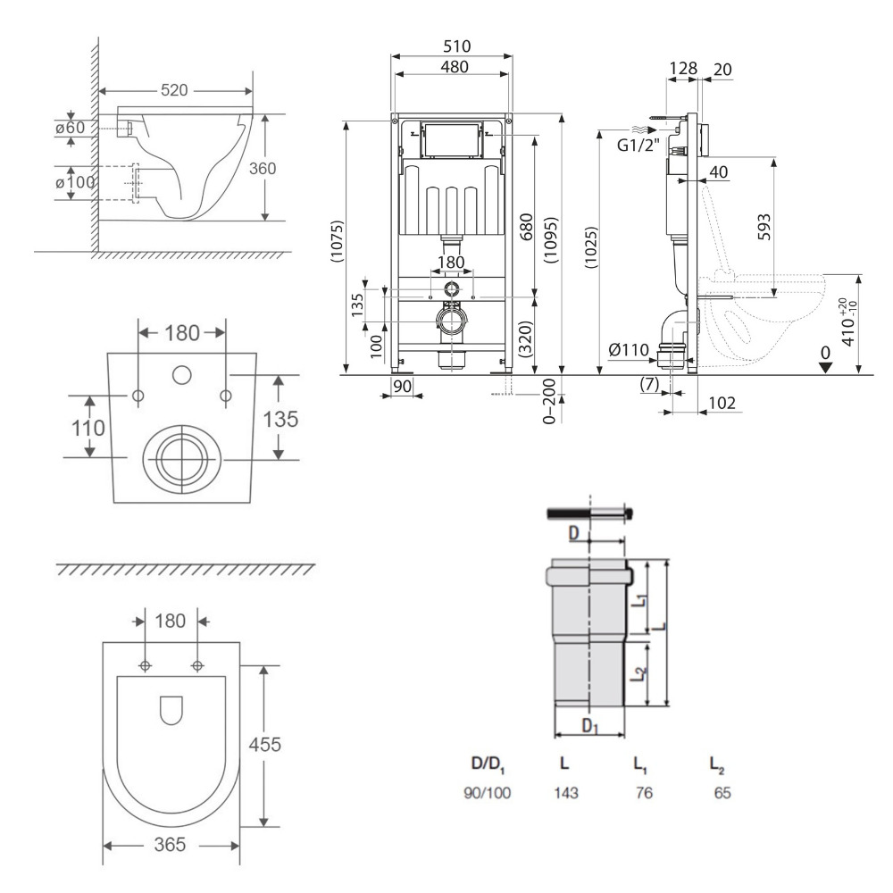
Caractéristiques du Pack WC bâti-support sol mur + WC Swiss Aqua Technologies Tornado Quiet sans bride + Abattant SoftClose + Plaque noire (VCNTORNADO4) : 

  • Villeroy & Boch Bâti-support sol-mur avec plaque noire (921228AN)
  • Swiss Aqua Technologies WC suspendu sans bride Tornado Quiet et fixations invisibles, abattant frein de chute (SAT67010RTORP)
  • Redi Manchon de raccordement Ø 90/100 MM pour Rapid SL ou Geberit (VS0564190)

Bâti-support sol-mur avec plaque noire (921228AN) :

  • Pour les constructions en cloisons sèches
  • A construire sur un mur porteur
  • Résiste à une charge de 400kg
  • Plage de réglage des pieds : 0-200mm
  • Plage de réglage devant mur : 135-205mm (lorsque monté sur des supports muraux)
  • Fixation en 4 points avec des supports muraux
  • Comprend des pieds de support et les matériaux de fixation pour l'installation devant un mur, sur le côté ou pour coins
  • Avec capuchon de protection pour le tuyau de chasse d'eau
  • Boulons de retenue des WC réglables à 180 mm avec bouchons de protection et écrous
  • Instructions de montage
  • A combiner avec les WC suspendus 
  • Citerne dissimulée avec isolation contre la condensation avec double chasse d'eau 3/6l
  • Réglable à 2,5/4,5l
  • Réservoir de chasse encastré : Classe de bruit I
  • Plaque de commande double touche noire
  • Déclenchement mécanique

WC suspendu sans bride Tornado Quiet et fixations invisibles, abattant frein de chute (SAT67010RTORP) :

  • Marque : Swiss Aqua Technologies
  • Matériau : Céramique
  • Cuvette au style simple et épuré
  • Cuvette sans bride avec technologie Tornado Quiet
  • Fixations cachées
  • Abattant avec frein de chute
  • Abattant déclipsable
  • Facile d'entretien grâce au système sans bride et l'abattant amovible
  • Installation rapide

Attention ! Il est impératif de vérifier les produits à réception. Une éventuelle avarie doit être constatée devant le livreur et indiquée précisément pour chaque produit sur le bon de livraison. Aucune réclamation ne pourra être acceptée a posteriori, les transporteurs étant très stricts à ce sujet. Nous vous remercions pour votre compréhension.

Caractéristiques techniques du produit
  • Coloris:Blanc
  • Matière:Céramique
  • Type de produit:Pack WC
  • Nouveautés:Nouveau
  • Abattant:SOFT CLOSE
  • Cuvette:SANS BRIDE
  • Couleur Plaque:NOIR MAT
  • Type de bâti:Mur
  • Marque cuvette:Swiss Aqua Technologies
  • Marque bâti:Villeroy & Boch
  • Coloris fabricant:Blanc
  • Fixation invisible:oui
  • PMCB unique identifier idu:FR043823_04FWQW
  • Abattant déclipsable:Oui
  • Volume de chasse (en L):3/6
  • Type de bride:Sans bride
Ecrire un commentaire
Avis *
Les champs marqués d'un astérisque (*) sont obligatoires.
319
90
TTC
517
40
Prix public conseillé
Le prix public conseillé (PPC) est un prix de revente conseillé par un fabricant à ses distributeurs.
Lorsqu’il s’agit d’un pack multi-marques, c’est alors la somme des PPC de ses composants.

(38.17% d'économie)
Dont 0.30 d' éco-part. DEEE
Rupture de stock
Expédié habituellement sous 30 jours
Quantité:
Paiement sécurisé
Avis clients
Cecilia P.
05/01/2026

Super ! SAV réactif à l écoute et qui a trouver une solution rapide et très satisfaisante ! Merci à eux

Marc D.
20/01/2026

La livraison de la porte de douche et très bien protégé sur palette. Et un superbe SAV car il me manquait une roulette. La réaction du SAV était très efficace livraison de la roulette est bien arrivé rapidement. Merci à vous

Reinette P.
12/01/2026

Super site, produits de très bonne qualité, livraison soignée et service client réactif!

Michel L.
24/01/2026

Prix interessants par rapport a la concurrence. Le service de chat en ligne a tres bien répondu a mes question sur un produit SAT

4.5/5