Quantité
Total
Dont d' éco-part. DEEE
Il y a 0 produits dans votre panier. Il y a 1 produit dans votre panier.
Total produits
Frais de port  À définir
Total
Continuer mes achats Commander
Vos produits 0 produit

Total

Sous-total de la commande
0
00
Livraison
0
00
Total
0
00
Dont d' éco-part. DEEE
COMMANDER
Nouveau

Grohe Rapid SL Pack WC bâti autoportant + WC suspendu sans bride Ceramia avec abattant SoftClose + plaque blanc mat (GRRCEPXWR08-FR)

  • Référence du produit: GRRCEPXWR08-FR
  • EAN: 3701729207899
  • Marque: Manufacturer 6
  • Série: Rapid SL
Garantie du produit: 2 ans
429
90
TTC
529
00
Prix public conseillé
Le prix public conseillé (PPC) est un prix de revente conseillé par un fabricant à ses distributeurs.
Lorsqu’il s’agit d’un pack multi-marques, c’est alors la somme des PPC de ses composants.
( 18.73% d'économie)
Rupture de stock
Expédié habituellement sous 5 jours
Quantité:

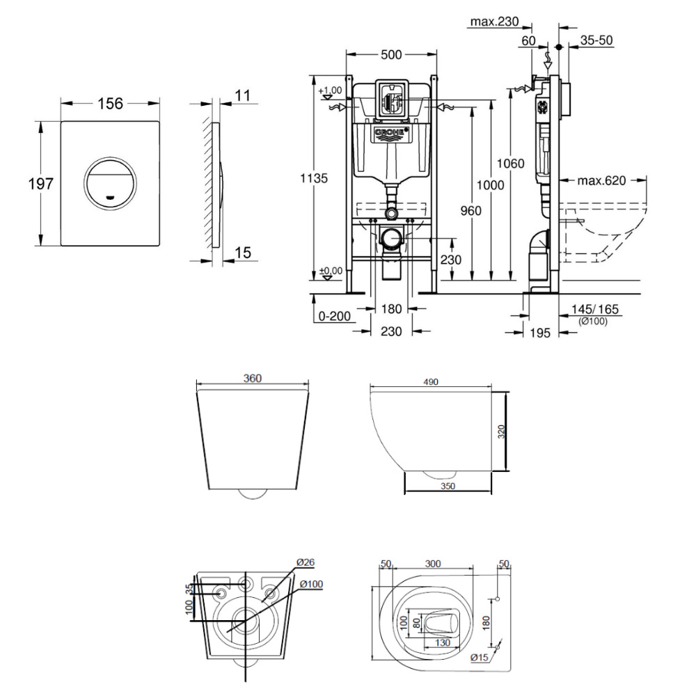
Caractéristiques du pack WC bâti-support autoportant Grohe Rapid SL + WC suspendu sans bride Ceramia PixL avec abattant SoftClose + plaque blanc mat (GRRCEPXWR08-FR) :

  • Grohe RAPID SL Project bâti support autoportant pour WC, 1.13 M (39145000)
  • Ceramia PixL WC suspendu en céramique sans bride Tornado Quiet et fixations invisibles + abattant frein de chute, blanc (CEPX010RTORP)
  • Grohe Nova Cosmopolitan Plaque de commande, Blanc Alpin (38765SH0)

RAPID SL Project bâti support autoportant pour WC, 1.13 M (39145000) :

  • Réservoir et mécanisme pneumatique Certifié NF
  • Réservoir GD 2, 6-9 L
  • Comprend les supports muraux 3855800M pour une installation murale
  • Pour le montage des petites plaques de commande, commandez séparément le gabarit 40 911 000
  • Assemblage facile en connectant le capillaire pneumatique à la plaque de commande
  • Réglage en hauteur rapide avec prédétermination automatique de la hauteur de montage souhaitée
  • Fixation murale avec réglage rapide en profondeur; ajustement de profondeur par l'avant
  • Support mural orientable sur 360 degrés pour éviter les joints
  • Pieds avec points de fixation polyvalents et pratiques, pour montage sur rail, sur profil en U de 50 ou 75 mm
  • Points de fixation pour accessoires ; montage des éléments sans ancrage au sol
  • Points de fixation pour montage des éléments dans des supports muraux en bois
  • Coude DN 80 avec réduction DN 80/100
  • Fixation du coude de vidage sans outil
  • Collier de vidage avec réglage de la profondeur à 2 niveaux

Le système Rapid SL permet un montage rapide et propre grâce ses éléments d'installation spécialement conçus. On retrouve les instructions de pose des plaques sur le gabarit. 

PixL WC suspendu en céramique sans bride Tornado Quiet et fixations invisibles + abattant frein de chute, blanc (CEPX010RTORP) :

  • Type de produit : WC suspendu + abattant
  • Marque : Ceramia
  • Série : PixL
  • Coloris : blanc
  • Finition : brillant
  • Matière : céramique
  • Longueur : 36 cm
  • Hauteur : 32 cm
  • Profondeur : 49 cm
  • Entraxe de fixation : 18 cm
  • Technologie de chasse : Tornado Quiet
  • Petit volume de chasse : 3 L
  • Grand volume de chasse : 4,9 L
  • Type de WC : sans bride
  • Type de sortie : horizontale
  • Type d'abattant : avec frein de chute (SoftClose)
  • Type de charnières : métalliques
  • Abattant déclipsable : oui, facile à retirer sans outils
  • Matière de l'abattant : duroplast
  • Fixations invisibles : oui
  • Montage facile
  • Poids : 29 kg
  • Garantie du produit : 5 ans

Nova Cosmopolitan Plaque de commande, Blanc Alpin (38765SH0) :

  • Nova Cosmopolitan
  • Plaque de commande
  • Double touche ou interrompable
  • Pour mécanisme pneumatique AV1
  • Montage horizontal ou vertical
  • 156 x 197 mm
  • En ABS
  • GROHE EcoJoy® économie d’eau
  • GROHE StarLight éclatant et durable

Attention ! Il est impératif de vérifier le bon état du colis aussi bien extérieur qu’intérieur, au moment de la livraison.

Vous disposez d’un délai maximum de 72h à réception du produit pour signaler un dommage. Au-delà de ce délai, les réclamations ne pourront plus être prises en compte. Par ailleurs, nous vous conseillons vivement de contrôler et, le cas échéant, refuser la marchandise si vous remarquez un problème au moment de la réception. Nous vous remercions pour votre compréhension.

Caractéristiques techniques du produit
  • Coloris:Blanc
  • Matière:Céramique
  • Type de produit:Pack WC
  • Garantie constructeur:2 ans
  • Nouveautés:Nouveau
  • Économie d'eau:Oui
  • Plaque de Commande:Double touche
  • Abattant:SOFT CLOSE
  • Cuvette:SANS BRIDE
  • Couleur Plaque:BLANC
  • Type de bâti:Universel
  • Marque cuvette:Ceramia
  • Marque bâti:Grohe
  • Coloris fabricant:Blanc
  • Coloris cuvette:Blanc
  • PMCB unique identifier idu:FR043823_04FWQW
  • Volume de chasse (en L):3 / 4,9 L
  • Type de sortie:Horizontale
  • double chasse:Oui
  • Adapté aux personnes en mobilité réduite:Non
  • Cuvette anti-calcaire:Non
  • Lave-mains intégré :Non
  • Fabrication française:Non
  • Type de bride:Tornado Flush
  • Largeur bâti:50 cm
  • Hauteur bâti:113,5 cm
  • Poids cuvette:29 kg
  • Hauteur cuvette :32
  • Profondeur bâti:19,5 cm
  • Largeur cuvette :36
  • Finition plaque:Mat
  • Finition cuvette:Brillant
Ecrire un commentaire
Avis *
Les champs marqués d'un astérisque (*) sont obligatoires.
429
90
TTC
529
00
Prix public conseillé
Le prix public conseillé (PPC) est un prix de revente conseillé par un fabricant à ses distributeurs.
Lorsqu’il s’agit d’un pack multi-marques, c’est alors la somme des PPC de ses composants.

(18.73% d'économie)
Dont 0.30 d' éco-part. DEEE
Rupture de stock
Expédié habituellement sous 5 jours
Quantité:
Paiement sécurisé
Avis clients
Cecilia P.
05/01/2026

Super ! SAV réactif à l écoute et qui a trouver une solution rapide et très satisfaisante ! Merci à eux

Marc D.
20/01/2026

La livraison de la porte de douche et très bien protégé sur palette. Et un superbe SAV car il me manquait une roulette. La réaction du SAV était très efficace livraison de la roulette est bien arrivé rapidement. Merci à vous

Reinette P.
12/01/2026

Super site, produits de très bonne qualité, livraison soignée et service client réactif!

Michel L.
24/01/2026

Prix interessants par rapport a la concurrence. Le service de chat en ligne a tres bien répondu a mes question sur un produit SAT

4.5/5