Quantité
Total
Dont d' éco-part. DEEE
Il y a 0 produits dans votre panier. Il y a 1 produit dans votre panier.
Total produits
Frais de port  À définir
Total
Continuer mes achats Commander
Vos produits 0 produit

Total

Sous-total de la commande
0
00
Livraison
0
00
Total
0
00
Dont d' éco-part. DEEE
COMMANDER
Nouveau

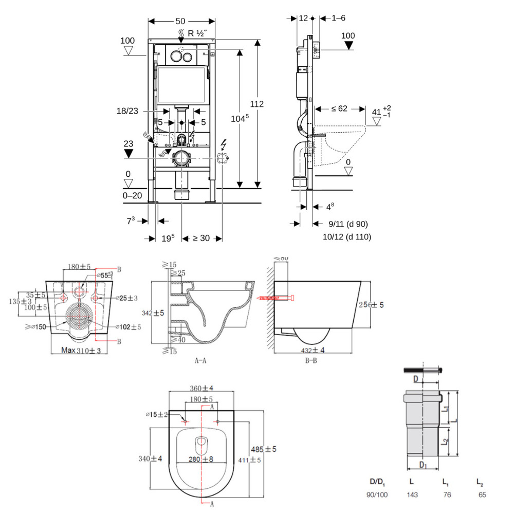
Duofix pack WC bâti-support + WC suspendu sans bride Swiss Aqua Technologies avec abattant SoftClose + plaque (GEBSTBRWR03-FR)

  • Référence du produit: GEBSTBRWR03-FR
  • EAN: 3701729206250
  • Marque: Manufacturer 5 59
  • Série: Duofix
Garantie du produit: 2 ans
339
90
TTC
442
00
Prix public conseillé
Le prix public conseillé (PPC) est un prix de revente conseillé par un fabricant à ses distributeurs.
Lorsqu’il s’agit d’un pack multi-marques, c’est alors la somme des PPC de ses composants.
( 23.10% d'économie)
En stock
Expédié demain
Quantité:

Caractéristiques du pack WC bâti-support 112 cm Geberit Duofix + WC suspendu sans bride Swiss Aqua Technologies avec abattant SoftClose + plaque (GEBSTBRWR03-FR

  • Geberit Pack Bâti-support Duofix 112cm + Plaque de commande Delta20 blanc alpin + fixations murales (458.134.11.3)
  • Swiss Aqua Technologies WC suspendu sans bride et fixations invisibles + abattant frein de chute (SATBRE010RREXP)
  • Redi Manchon de raccordement Ø 90/100 MM pour Rapid SL ou Geberit (VS0564190)

Caractéristiques du pack Bâti-support Duofix 112cm + Plaque de commande Delta20 blanc alpin + fixations murales (458.134.11.3) :

  • Geberit Ensemble bâti-support Duofix UP100 + réservoir pour WC 112 cm (458.103.00.2)
  • Geberit Delta20 plaque de déclenchement double touche, blanc alpin (115.127.11.1)

Geberit Bâti-support Duofix basic UP100, 112 cm, avec réservoir d’eau encastré UP100 (458.134.21.3) :

Préconisations de mise en oeuvre :

Ces bâti-supports pour WC suspendus sont dédiés aux types d'installation suivants :

  • Contre un mur porteur (voile béton, carreaux de plâtre, béton cellulaire, briques, parpaings) et sur une dalle béton en utilisant les fixations fournies.
  • Dans une cloison à ossature métallique constituée de rails renforcés (KNAUF, PLACO, …) à hauteur de la pièce ou avec des rails et montants Geberit système Duofix à hauteur partielle ou de la pièce (selon préconisations fabricant).

Ces bâti-supports pour WC suspendus ne peuvent être installés contre des cloisons en plaques de plâtre à âme alvéolaire en carton, contre des cloisons en plaques de plâtre sur ossature métallique ou contre des cloisons de séparation double peau en plaques de plâtre sur ossature métallique sans accessoirisation additionnelle (substitution des pieds fournis par des pieds autoportants) ou l'ajout de renforts complémentaires (à intégrer au préalable dans la cloison au niveau des fixations hautes).

Ces bâti-supports pour WC montés suspendus peuvent être installés sur des planchers en bois s'ils sont posés contre un mur porteur (voir description précédente) et leurs pieds sur une solive ou lambourde à l'aide des tirefonds fournis.

Le set comprend :

  • Bâti-support zingué 112 cm avec pieds réglables de 0-20 cm
  • Réservoir d'eau UP100 (avec garantie constructeur des pièces de rechange de 25 ans)
  • Cadre prélaqué en couleur Geberit bleu
  • Pieds support avec marquage de graduation en cm
  • Pieds orientables pour le montage en profilé UW50/UW75
  • Traverse pour support d’habillage
  • 2 tiges filetées M12 pour la fixation de la céramique avec distance intermédiaire de 18 ou 23 cm
  • Réservoir de chasse encastré 4-6-7,5 l , isolé contre la condensation
  • Déclenchement frontal à deux quantités avec plaques Delta21, Delta20 ou Delta50
  • Alimentation à l’arrière/en haut
  • Robinet d’arrêt équerre R1/2“,
  • Boîtier de réservation pour trappe de visite
  • Protection de chantier en styrophor
  • Coude d’évacuation  Ø 90 mm
  • Garniture de manchette Ø 90 mm
  • Manchon de transition Ø 90/110 mm 
  • Matériel de fixation

Delta20 plaque de déclenchement double touche, blanc alpin (115.127.11.1) :

  • Dispositif double touche
  • Coloris : blanc alpin 
  • Déclenchement pneumatique

WC suspendu sans bride et fixations invisibles + abattant frein de chute (SATBRE010RREXP) :

  • Marque : Swiss Aqua Technologies
  • Matériau : Céramique
  • WC compact adapté aux petits espaces
  • Cuvette au style simple et épuré
  • Cuvette sans bride
  • Fixations cachées
  • Profondeur de 48 cm
  • Rinçage économique 3 / 4,5 L
  • Abattant avec frein de chute
  • Abattant déclipsable
  • Facile d'entretien grâce au système sans bride et l'abattant amovible
  • Installation rapide

Attention ! Il est impératif de vérifier le bon état du colis aussi bien extérieur qu’intérieur, au moment de la livraison

Vous disposez d’un délai maximum de 72h à réception du produit pour signaler un dommage. Au-delà de ce délai, les réclamations ne pourront plus être prises en compte. Par ailleurs, nous vous conseillons vivement de contrôler et, le cas échéant, refuser la marchandise si vous remarquez un problème au moment de la réception. Nous vous remercions pour votre compréhension.

Caractéristiques techniques du produit
  • Coloris:Blanc
  • Matière:Céramique
  • Type de produit:Pack WC
  • Garantie constructeur:2 ans
  • Nouveautés:Nouveau
  • Plaque de Commande:Double touche
  • Abattant:SOFT CLOSE
  • Cuvette:SANS BRIDE
  • Couleur Plaque:BLANC
  • Type de bâti:Universel
  • Marque cuvette:Swiss Aqua Technologies
  • Marque bâti:Geberit
  • Coloris fabricant:Blanc
  • Système de chasse:Double touche
  • Coloris cuvette:Blanc
  • PMCB unique identifier idu:FR043823_04FWQW
  • Volume de chasse (en L):3-4/4,5-6L
  • Type de sortie:Horizontale
  • double chasse:Oui
  • Type de montage:Mural
  • Adapté aux personnes en mobilité réduite:Non
  • Cuvette anti-calcaire:Non
  • Lave-mains intégré :Non
  • Fabrication française:Non
  • Type de bride:Rimless
  • Largeur bâti:50
  • Hauteur bâti:112 cm
  • Poids cuvette:22 kg
  • Hauteur cuvette :34,2 cm
  • Profondeur bâti:12 cm
  • Largeur cuvette :36,4 cm
  • Finition plaque:Brillant
  • Finition cuvette:Brillant
Ecrire un commentaire
Avis *
Les champs marqués d'un astérisque (*) sont obligatoires.
339
90
TTC
442
00
Prix public conseillé
Le prix public conseillé (PPC) est un prix de revente conseillé par un fabricant à ses distributeurs.
Lorsqu’il s’agit d’un pack multi-marques, c’est alors la somme des PPC de ses composants.

(23.10% d'économie)
Dont 0.30 d' éco-part. DEEE
En stock
Expédié demain
Quantité:
Paiement sécurisé
Avis clients
Cecilia P.
05/01/2026

Super ! SAV réactif à l écoute et qui a trouver une solution rapide et très satisfaisante ! Merci à eux

Marc D.
20/01/2026

La livraison de la porte de douche et très bien protégé sur palette. Et un superbe SAV car il me manquait une roulette. La réaction du SAV était très efficace livraison de la roulette est bien arrivé rapidement. Merci à vous

Reinette P.
12/01/2026

Super site, produits de très bonne qualité, livraison soignée et service client réactif!

Michel L.
24/01/2026

Prix interessants par rapport a la concurrence. Le service de chat en ligne a tres bien répondu a mes question sur un produit SAT

4.5/5